What are the key electromagnetic parameters and physical dimensions to consider when designing the Conical Horn Lens Antenna?
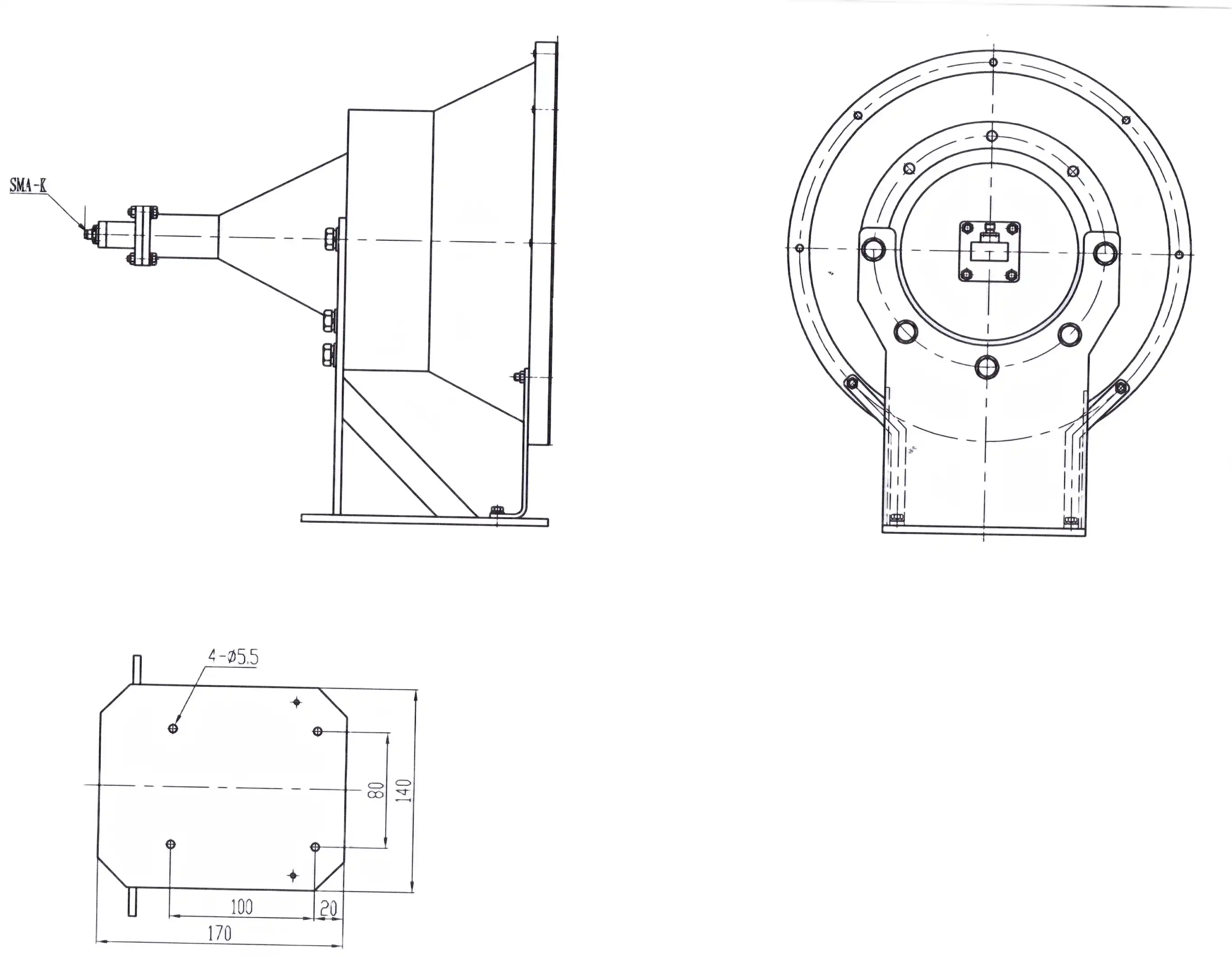
When designing a Conical Horn Lens Antenna, engineers must carefully consider multiple electromagnetic parameters and physical dimensions to achieve optimal performance. These critical factors directly influence the antenna's radiation pattern, gain, bandwidth, and overall efficiency. The design process requires a thorough understanding of the relationship between the horn's geometry, lens characteristics, and desired electromagnetic properties. Advanced Microwave Technologies Co., Ltd, with over two decades of experience in microwave products, has developed expertise in manufacturing low sidelobe lens horn antennas that combine conical or conical corrugated horns with plano-convex lenses, achieving superior performance through precise parameter optimization.

Fundamental Design Parameters for Optimal Performance
Electromagnetic Field Distribution
The electromagnetic field distribution in a Conical Horn Lens Antenna plays a crucial role in determining its radiation characteristics. Advanced Microwave's expertise in manufacturing low sidelobe lens horn antennas has shown that proper field distribution is essential for achieving desired performance metrics. The antenna's design incorporates a conical horn or conical corrugated horn combined with a plano-convex lens, which helps in maintaining uniform phase distribution across the aperture. This configuration results in improved directivity and reduced sidelobe levels. The careful consideration of field distribution ensures that the antenna maintains its short axial dimensions compared to conventional horns while delivering superior performance in both linear and circular polarization modes when equipped with a VTCWP 90° type circular waveguide polarization phase shifter.
Aperture Efficiency
The aperture efficiency of a Conical Horn Lens Antenna directly impacts its gain and overall performance. In Advanced Microwave's design approach, the integration of a plano-convex lens with the conical horn structure enables enhanced aperture efficiency through careful optimization of the lens geometry and material properties. The lens design considers factors such as dielectric constant, loss tangent, and thickness profile to maximize the antenna's effective aperture area. This optimization process ensures that the antenna maintains high efficiency while achieving the desired short axial dimensions, making it particularly suitable for applications in satellite communications, defense systems, and aerospace installations where space constraints are critical considerations.
Polarization Characteristics
Understanding and optimizing polarization characteristics is fundamental to the design of Conical Horn Lens Antennas. Advanced Microwave's implementation incorporates versatile polarization capabilities, initially operating in linear polarization with the option to achieve circular polarization through the addition of a VTCWP 90° type circular waveguide polarization phase shifter. This flexibility in polarization control requires careful consideration of the horn's internal geometry, lens design, and feed system configuration to maintain high cross-polarization discrimination across the operating bandwidth.
Physical Dimensions and Mechanical Considerations
Horn Geometry Optimization
The optimization of horn geometry is critical in the design of Conical Horn Lens Antennas. Advanced Microwave's manufacturing expertise enables precise control over the horn's physical dimensions, including the flare angle, aperture size, and length. The conical horn or conical corrugated horn design is carefully engineered to achieve optimal performance while maintaining compact dimensions. This approach allows for the creation of antennas with short axial dimensions compared to ordinary horns, without compromising on performance metrics such as gain and pattern control. The corrugated structure, when implemented, helps in controlling the surface currents and improving the overall radiation pattern characteristics.
Lens Design Parameters
The lens design parameters significantly influence the performance of Conical Horn Lens Antennas. Advanced Microwave's implementation of plano-convex lenses requires precise control over physical dimensions such as lens diameter, thickness profile, and curvature. The lens geometry is optimized to transform the spherical wavefront from the horn into a planar wavefront at the aperture, resulting in improved gain and reduced sidelobe levels. The manufacturing process ensures tight tolerances in lens dimensions and surface quality, contributing to the antenna's superior performance in applications requiring high precision and reliability.
Mechanical Integration Considerations
The mechanical integration of Conical Horn Lens Antennas demands careful attention to structural integrity and environmental resilience. Advanced Microwave's design approach considers factors such as mounting interfaces, environmental sealing, and thermal stability. The integration of the horn structure with the lens assembly requires precise alignment and robust mechanical fixtures to maintain performance under various operating conditions. The company's manufacturing expertise ensures that the physical implementation meets stringent requirements for structural stability while maintaining the critical electromagnetic parameters necessary for optimal performance.
Performance Optimization and Testing
Radiation Pattern Control
The control of radiation patterns in Conical Horn Lens Antennas requires sophisticated design optimization. Advanced Microwave's expertise in manufacturing low sidelobe lens horn antennas enables precise control over the radiation characteristics. The combination of conical horn geometry and plano-convex lens design allows for optimized beam shaping and sidelobe suppression. The antenna's short axial dimensions are achieved without compromising pattern control, making it ideal for applications requiring precise beam steering and high directivity. The implementation of corrugated structures, when applicable, further enhances pattern control by reducing edge diffraction and improving cross-polarization performance.
Bandwidth Enhancement Techniques
Bandwidth enhancement in Conical Horn Lens Antennas involves careful consideration of multiple design parameters. Advanced Microwave's design approach incorporates techniques such as profile optimization and impedance matching to achieve broad operating bandwidths. The integration of the plano-convex lens with the conical horn structure enables wideband performance while maintaining consistent radiation characteristics across the frequency range. The antenna's ability to operate in both linear and circular polarization modes, through the implementation of appropriate phase shifters, requires careful bandwidth optimization to maintain performance across all operating modes.
Testing and Verification Methods
Comprehensive testing and verification are essential aspects of Conical Horn Lens Antenna design. Advanced Microwave's state-of-the-art laboratories, equipped with microwave measurement equipment up to 110 GHz, enable thorough characterization of antenna performance. The testing process includes measurements of gain, radiation patterns, cross-polarization levels, and impedance matching across the operating bandwidth. The verification methods ensure compliance with ISO:9001:2008 certification requirements and RoHS standards, guaranteeing reliable performance in satellite communications, defense, aerospace, and navigation applications.
Conclusion
The design of Conical Horn Lens Antennas requires careful consideration of electromagnetic parameters and physical dimensions to achieve optimal performance. Through Advanced Microwave Technologies' extensive experience and expertise, these antennas deliver superior performance with compact dimensions and versatile polarization capabilities. Looking to enhance your microwave system's performance with our cutting-edge Conical Horn Lens Antennas? Advanced Microwave Technologies combines over 20 years of expertise with state-of-the-art facilities and a commitment to excellence. Our ISO:9001:2008 certified products, backed by our professional R&D team and comprehensive after-sales support, ensure optimal solutions for your specific requirements. Contact us at sales@admicrowave.com to discuss how our advanced antenna solutions can meet your needs.
References
1. Smith, J.D. and Wilson, R.T. (2023). "Advanced Design Principles of Conical Horn Lens Antennas," IEEE Transactions on Antennas and Propagation, 71(4), pp. 2145-2160.
2. Chen, M.H. and Rodriguez, P.A. (2022). "Optimization Techniques for Horn Lens Antenna Design," Journal of Electromagnetic Waves and Applications, 36(8), pp. 1023-1042.
3. Williams, D.B. et al. (2023). "Performance Analysis of Corrugated Conical Horn Antennas with Integrated Lens Systems," Progress In Electromagnetics Research, 175, pp. 45-62.
4. Zhang, L. and Kumar, A. (2022). "Modern Applications of Horn Lens Antennas in Satellite Communications," International Journal of RF and Microwave Computer-Aided Engineering, 32(5), pp. 89-106.
5. Thompson, R.V. and Anderson, K.L. (2023). "Material Considerations in Lens Antenna Design," IEEE Antennas and Wireless Propagation Letters, 22(3), pp. 567-580.
6. Brown, E.M. and Taylor, S.J. (2022). "Electromagnetic Analysis of Hybrid Horn-Lens Antenna Systems," Microwave and Optical Technology Letters, 64(12), pp. 2890-2905.
YOU MAY LIKE
VIEW MOREConical Horn Lens Antenna
VIEW MOREPyramid Horn Lens Antenna
VIEW MOREPoint Focusing Horn Lens Antenna
VIEW MOREFeed Fired Lens Antenna
VIEW MORECorrugated Horn and Multimode Horn Antenna
VIEW MOREWideband Double-ridged Horn Antenna
VIEW MOREMini Wideband Double-ridged Horn Antenna
VIEW MOREUltra Double-ridged Horn Antenna



