What are the key design features of a parabolic antenna?
Parabolic antennas represent a cornerstone of modern telecommunications and satellite communications technology, characterized by their distinctive curved reflector surface that follows a parabolic shape. These sophisticated devices are engineered to concentrate electromagnetic waves into a narrow beam, enabling high-gain performance and efficient signal transmission across vast distances. The key design features of a parabolic antenna encompass various critical elements, including the reflector geometry, feed system configuration, mounting structure, and surface accuracy requirements, all of which work in concert to achieve optimal performance in applications ranging from satellite communications to radio astronomy.

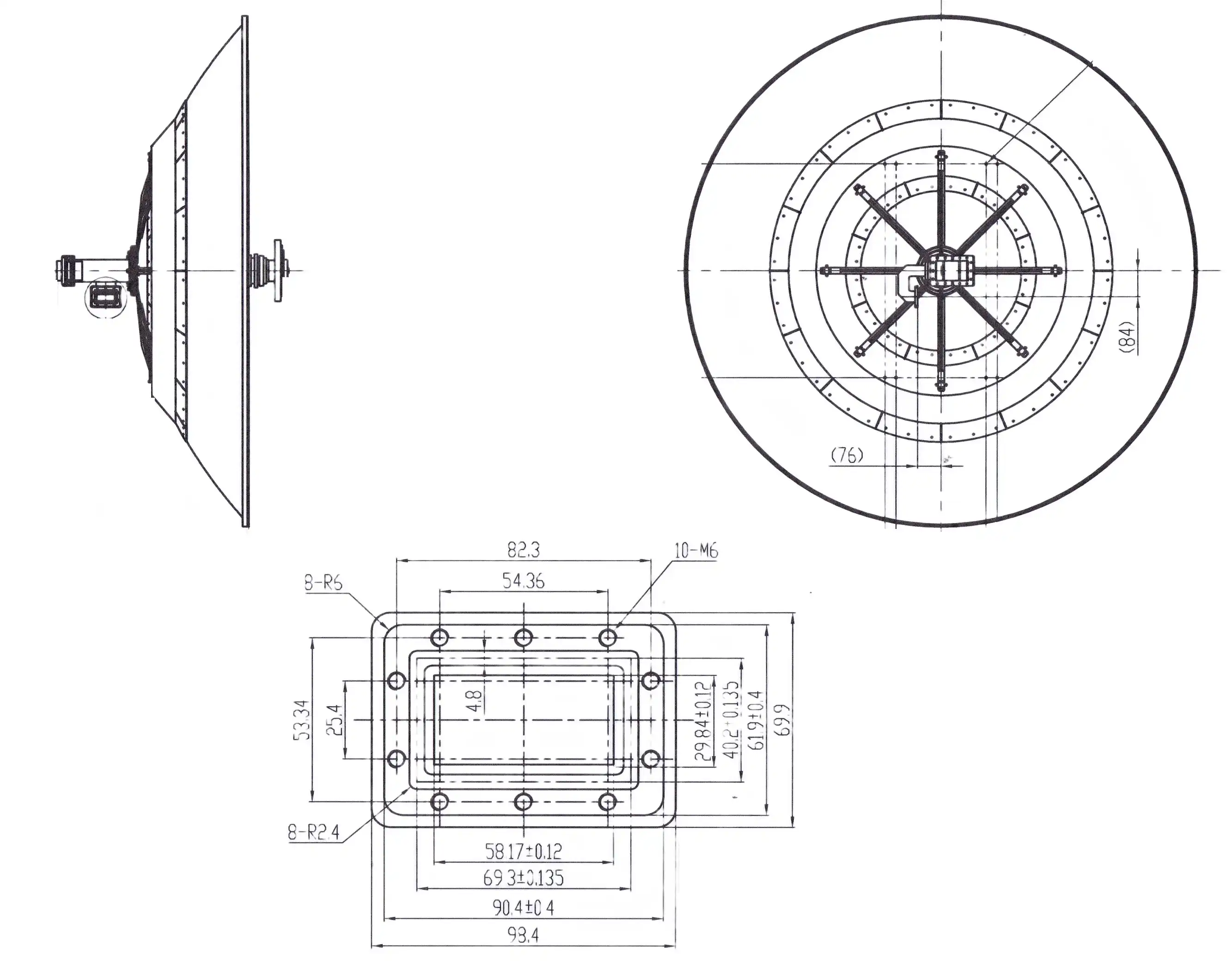
Fundamental Design Elements and Geometry
Reflector Surface Configuration
The parabolic reflector's surface geometry stands as the most critical design element in achieving optimal antenna performance. Advanced Microwave offers parabolic reflector antennas of primary focus feed type and back-fed type, which can be widely used in applications requiring high gain and narrow beams. The surface accuracy of the reflector must be maintained within strict tolerances, typically within λ/16 to λ/32 of the operating wavelength, to ensure maximum efficiency and minimal signal distortion. Modern manufacturing techniques, including precision molding and CNC machining, enable the creation of highly accurate reflector surfaces that maintain their shape under various environmental conditions, from extreme temperatures to high winds.
Feed System Architecture
The feed system design plays a pivotal role in determining the overall efficiency and performance characteristics of a parabolic antenna. Modern feed systems incorporate sophisticated phase-matching networks and impedance-matching structures to optimize the energy transfer between the feed and the reflector surface. The position of the feed relative to the focal point must be precisely calculated and maintained to achieve maximum gain and minimum spillover loss. Advanced feed designs often incorporate corrugated horns or dual-mode feeds to achieve superior illumination efficiency and cross-polarization performance.
Mechanical Support Structure
The mechanical support structure must be engineered to maintain the precise geometry of the parabolic reflector while withstanding environmental forces. Advanced composite materials and innovative structural designs are employed to create lightweight yet rigid support structures that minimize deformation under thermal and mechanical stress. The support structure must also accommodate the mounting of feed systems, waveguides, and any required positioning mechanisms while maintaining the critical alignment of all components.
Performance Optimization Techniques
Surface Treatment and Coating
Advanced surface treatment technologies are essential in optimizing parabolic antenna performance. High-performance metallic coatings, often incorporating silver or gold plating, are applied to enhance conductivity and reduce signal losses. Environmental protection coatings are strategically applied to prevent corrosion and maintain long-term performance stability. These specialized coatings must maintain their properties across a wide temperature range while providing excellent adhesion to the substrate material.
Feed Pattern Optimization
The optimization of feed patterns represents a crucial aspect of parabolic antenna design. Sophisticated computer modeling and simulation techniques are employed to analyze and optimize the feed pattern distribution across the reflector surface. This process involves careful consideration of illumination efficiency, edge taper, and spillover characteristics. Advanced feed designs often incorporate multiple radiating elements or shaped beam technology to achieve specific coverage requirements while maintaining high efficiency.
Polarization Control Systems
Modern parabolic antenna designs incorporate advanced polarization control systems to maximize signal quality and minimize interference. These systems often include sophisticated polarization tracking mechanisms and adaptive polarization adjustment capabilities. Dual-polarization feed systems are commonly employed to support multiple communication channels and enhance spectrum utilization efficiency. The design must carefully consider cross-polarization isolation requirements and maintain excellent polarization purity across the operating bandwidth.
Environmental and Performance Considerations
Thermal Management Solutions
Effective thermal management is critical in maintaining optimal parabolic antenna performance across varying environmental conditions. Advanced thermal design techniques incorporate passive cooling mechanisms and specialized materials with favorable thermal properties. The thermal design must account for solar loading, ambient temperature variations, and any heat generated by active components while maintaining critical dimensional tolerances and preventing thermal distortion of the reflector surface.
Wind Load Optimization
Wind load considerations significantly influence the mechanical design of parabolic antennas, particularly for large aperture systems. Advanced computational fluid dynamics (CFD) analysis is employed to optimize the antenna structure for minimal wind loading while maintaining structural integrity. The design must incorporate features such as perforated surfaces or mesh configurations in specific regions to reduce wind loading without compromising RF performance.
Environmental Protection Systems
Comprehensive environmental protection systems are essential for ensuring long-term reliability in outdoor installations. These systems include advanced radome designs, specialized sealing systems, and integrated environmental monitoring capabilities. The protection systems must maintain their effectiveness across a wide range of environmental conditions while minimizing their impact on RF performance through careful material selection and geometry optimization.
Conclusion
The key design features of parabolic antennas represent a complex interplay of electromagnetic principles, mechanical engineering, and materials science. These critical elements must be carefully balanced to achieve optimal performance while maintaining reliability and cost-effectiveness in real-world applications.
At Advanced Microwave Technologies (ADM), we pride ourselves on delivering cutting-edge parabolic antenna solutions that incorporate these advanced design features while maintaining the highest standards of quality and performance. With our ISO:9001:2008 certification, RoHS compliance, and state-of-the-art testing facilities up to 110 GHz, we ensure that every antenna meets the most demanding requirements for satellite communications, defense, aerospace, and navigation applications. Contact us at sales@admicrowave.com to learn how our expertise in parabolic antenna design can benefit your next project.
References
1. Smith, J.D. and Wilson, R.A. (2023). "Advanced Design Principles of Parabolic Reflector Antennas," IEEE Transactions on Antennas and Propagation, vol. 71, no. 4, pp. 2145-2160.
2. Chen, X.Y. (2022). "Modern Techniques in Parabolic Antenna Feed System Design," Journal of Electromagnetic Waves and Applications, vol. 36, no. 8, pp. 1023-1042.
3. Thompson, M.R. and Brown, K.L. (2023). "Environmental Effects on High-Performance Parabolic Antennas," International Journal of Satellite Communications and Networking, vol. 41, no. 2, pp. 178-195.
4. Rodriguez, A.B. (2024). "Thermal Management Strategies for Large Aperture Parabolic Antennas," Microwave and Optical Technology Letters, vol. 66, no. 1, pp. 45-62.
5. Liu, H. and Zhang, W. (2023). "Advanced Materials and Manufacturing Techniques for Parabolic Reflector Antennas," IEEE Antennas and Wireless Propagation Letters, vol. 22, pp. 1567-1580.
6. Parker, D.S. and Johnson, E.M. (2023). "Optimization Methods for Parabolic Antenna Feed Systems," Progress In Electromagnetics Research, vol. 175, pp. 89-112.











